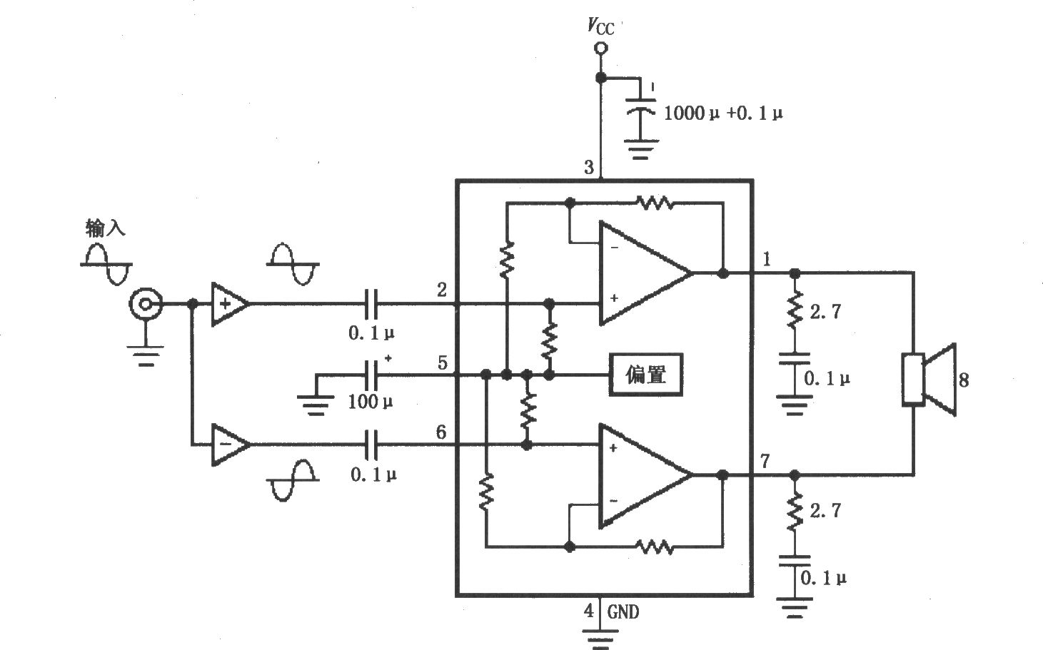
您现在的位置是:首页 > 电路图 > 音视频电路 > 音视频电路 由LM4752内部两个放大器构成的电桥输出的音频功 转载来源:电子技术应用-AET chinaaet.com 电子发烧友 elecfans.com2017-03-23 简介 相关文章 由LM4730/4731构成的电桥输出音频功率放大电路 由LM1877构成的具有Av=200(增益)的立体声放大电路 由LM1877构成的反相单位增益放大电路 由LM1877构成的具有低音控制的立体声唱机放大电 由LM4781构成的反相功率放大电路 由LM4781内部两个放大器构成的电桥输出的音频功 点击排行 LM4730/4731具有静音/待机模式的立体" 超三极电子管接法的单端A类功放" 输出电流达10A的功率放大电路" 用于音量、音调和均衡控制的集成电" LM4819的差分输入音频放大电路" LM3875的单电源供电音频功率放大电路" 由LM4730/4731构成的电桥输出音频功率" LM3876/3886的单电源供电音频功率放大" 本栏推荐 实用数字功放(TL084) 12w、24w藏成功率放大路电路 LM4911的不同电源导通时间推荐电路 LM4836单片立体声电桥音频功率放大器 电子管柴尔(ZELL)功放电路图 TDAl514A典型应用电路 LM4834音频功率放大电路 电子管麦景图MC-275(McIntosh 275)功率放大 LM3875的双电源供电音频功率放大电路 15w输出集成功率放大器电路